Lautsprecher und die Gitter habe ich jeweils mit einem dauerelastischen Spezialkleber eingeklebt.

Da es insgesamt 6 Lautsprecher sind, das neue Radio nur 4 Kanäle hat und der interne Verstärker auch zu schwach für die neuen Lautsprecher ist, habe ich mich für einen kompakten Mosconi Pico 4/8 DSP Verstärker entschieden

Dieser passt wunderbar oberhalb des Handschuhfachs in das Armaturenbrett rein.
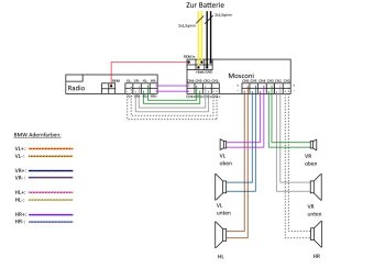
Da die Lautsprecher umverkabelt werden mussten, habe ich neue verschiedenfarbene Leitungen angefertigt

Und einen kleinen Plan dazu gezeichnet

So siehts hinter dem Handschuhfach aus. Jede Menge Platz!

Hier mit bereits um verdrahteten und am Verstärker angeschlossenen Lautsprecherleitungen

Habe aus einem Lochblech, eine Montageplatte angefertigt und an dieser den Verstärker angeschraubt. Dient auch der Besseren Wärmeableitung und lässt sich unter die bereits vorhandenen Befestigungen schrauben.

Sorry für die verzerrten und teilweise auf dem Kopf stehenden Fotos!
Ich habe noch nicht rausgefunden, wie es dazu kommt...
Besonderen Dank an:-MartinGSI (User hier aus dem Forum) und seine Fa. Racers-Performance (
http://racers-performance.de/). Er hat mich immer prima beraten und mich mit erstklassiger Ware versorgt!
-meine Frau, die mich immer lange an meinem Auto schrauben lässt und Verständnis dafür zeigt :)
-meinen faulen Hintern, der sich doch hin und wieder mal, vom Bett wegbewegen lässt um was an meinem BMW machen zu können XD
Vielen Dank fürs Vorbeischauen! :D Bearbeitet von: 5N1P3R am 21.12.2025 um 13:33:13
Angaben zum Fahrzeug "BMW M42 Coupe" von
5N1P3R