• Anmeldeprobleme?
  • Noch nicht registriert?
  • Magazin
  • Forum
  • Fotostories
  • Treffen/Termine
  • Kleinanzeigen
  • Nice2Know
  • Teile
Erweiterte Suche

Nice2Know

  • Artikel
  • Tuning Teile
  • BMW Datenbank
  • Gutachten Datenbank
  • Spritverbrauch
  • BMW Felgen

Nice2Know

Artikel

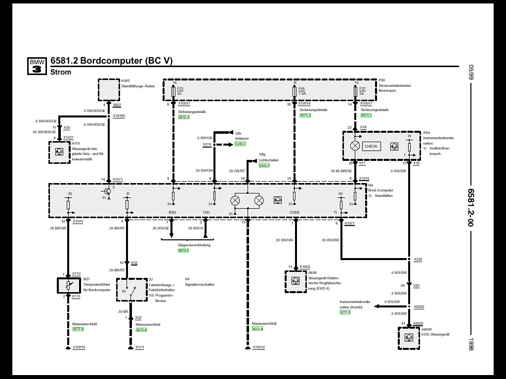
Umbau Bordcomputer V im E36

- Umbauanleitung
- Schaltplan 1
- Shaltplan 2


erstellt von Philip
Im Forum erreichbar als "Uli320ci"

<<< zurück zur Nice2Know - Übersicht
SEITENANFANG
© 2001-2026 bmw-syndikat.de
mobile Version |  Intern: E90 Forum |  1er Forum |  3er BMW |  E46 Forum |  E36 Forum |  E92 Bilder |  BMW 1er |  Sitemap |  Impressum |  Datenschutz |  Cookie Einstellungen |  Werbung schalten?